English
中文
搜索
首页
关于必一在线手机版(大中国区)
集团简介
集团简介
品牌文化
必一在线手机版(大中国区)品牌理念
集团成员
集团成员
技术实力
技术实力
企业荣耀
企业荣誉
集团视频
集团视频
企业公告
企业新闻
企业新闻
行业动态
行业动态
企业招标
暂无记录
产品中心
挂车系统
VALX系列车轴
卡车系统
单级减速驱动桥
工程车系统
16.8吨工程车后桥
集装箱
陆运分体式轻型拖车冷藏箱
原厂配件
车轴配件
服务中心
必一在线手机版(大中国区)服务中心
必一在线手机版(大中国区)服务中心
产品使用手册
产品使用说明书
VALX 学堂
VALX 学堂
挂车使用常识
用车常识
售后服务网点
售后服务网点
产品防伪查询
产品防伪查询
资料下载中心
资料下载中心
投 诉 与 建 议
投诉与建议
必一在线手机版(大中国区)
采购公告
采购公告
人才招聘
人才招聘
加盟我们
加盟我们
联系方式
联系方式
首页
>
服务中心
>
产品使用手册
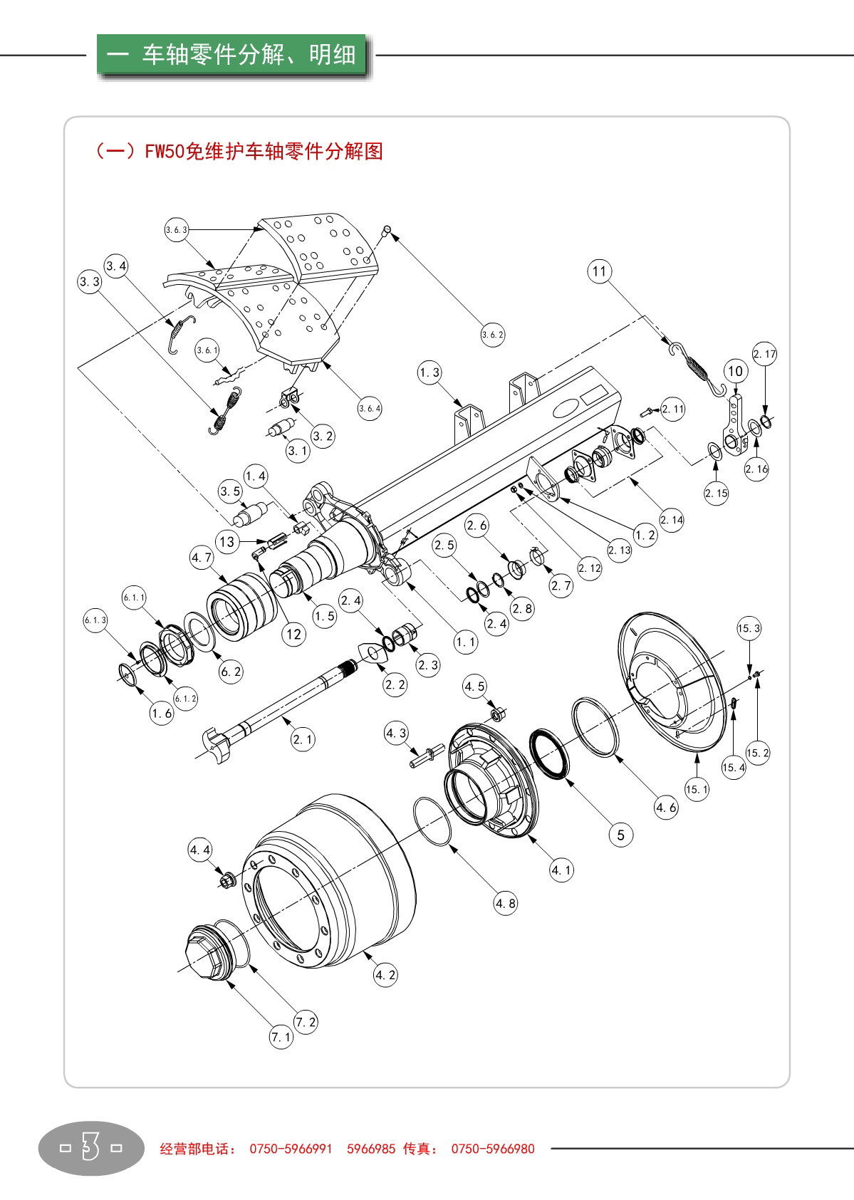
FW50免维护车轴【产品使用说明书】
发布时间:2017-02-21 17:14:21
分享:
上一篇:鞍座 · 牵引销【产品使用说明书】
下一篇:FW13耐磨板簧悬挂【产品使用说明书】
华体会官方网页版_华体会(中国)
|
必一在线(中国)唯一官方网站
|
B体育网页登录
|
HTH华体会体育登录入口hth.com
|
B体育在线官网
|
华体会线上平台(集团)官方网站
|
必一网页版
|
必一在线客服
|
必一网页版页面
|